A-A-52593A
a. Title, number and date of this CID.
b. If required, the specific issue of individual documents referenced.
c. Applicable level of preservation, packing and marking.
6.3 Cross reference data. Pneumatic saws conforming this CID are interchangeable, substitutable with saws of the same part number conforming to MIL-S-4083C.
6.4 Key words.
Air Powered
Handheld
Tools
Fabrication
Construction
Demolition

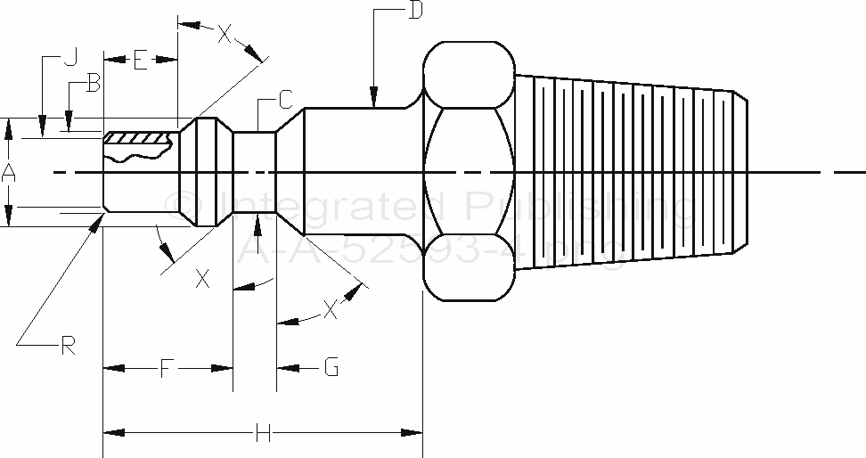
|
Dimensions (inches) |
Degrees |
|||||||||
|
A |
B |
C |
D |
E |
F |
G |
H |
J |
R |
X |
|
0.655 |
0.560 |
0.560 |
0.655 |
0.375 |
0.577 |
0.109 |
1.375 |
0.375 |
0.015 |
45 |
FIGURE 1. Air coupling nipple.
For Parts Inquires call Parts Hangar, Inc (727) 493-0744
© Copyright 2015 Integrated Publishing, Inc.
A Service Disabled Veteran Owned Small Business